江浙沪桑拿论坛夜网论坛_武汉狼盟Qm社区论坛_绿七论坛_一品威客凤楼网站论坛

迅捷机械携手旗下东泰机械,打造专业包装机械工厂!




单头立式膏、液体灌装机

单头立式膏、液体灌装机

立式膏、液体灌装机适用于医药、日化、食品、农药及特殊行业,是理想的粘度流体充填设备。该立式膏、液体灌装机物料接触部分均采用

  • 型号:DLY
  • 适用对象:
  • 加工定制:
  • 日期:[2014-3-14 15:47:31]
单头立式膏、液体灌装机

产品名称:单头立式膏液体灌装机

设备简介:单头立式液体灌装机是本公司先进灌装机技术的基础上,进行改造和创新的产品,通过气缸带动一个活塞来抽取和打出物料用单向阀控制物料流向,用磁簧开关控制气缸的行程,即可调节灌装量。其结构更加简单合理,精确度高,操作更加简便,是贵公司填充高务的理想选择。

设备型号:DLY单头立式
适用范围:适用于医药、日化、食品、农药及特殊行业,是理想的粘度流体充填设备,主要用于针对洗液、护理液、口服液、消毒液、粉底液、防冻液、护发液、洗 手液、护肤液、洗发液、洗眼液、营养液、注射液、农药、医药、洗洁净、沐浴露、香水、食用油、润滑油及特殊行业的液体灌装。

技术参数:

电源

220/110V 50/60Hz

功率

10W

气压

0.4-0.6MPa

灌装速度

10-30瓶/分

灌装精度

≤±1﹪

可选机型

5-60ml 10-125ml 25-250ml 50-500ml 100-1000ml 250-2500ml

原理及特点:
* 该机为半自动活塞式膏体灌装机。 
* 该机设计合理,机型小巧,立式结构,节省场地。 
* 操作方便,气动部分均采用德国FESTO和台湾AirTac的气动元件。 
* 物料接触部分均采用316L不锈钢材料制成,符合GMP要求。 
* 灌装阀由电磁阀控制,灌装精度更高。 
* 灌装量和灌装速度均可任意调节。 
* 灌装闷头采用防拉丝及升降灌装装置。

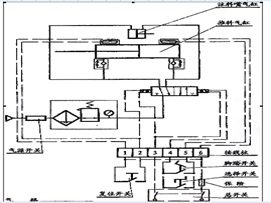
设备灌装流程及控制系统电路图:

工作流程图  内部结构图

使用指南:
本产品只使用于灌装液体等低浓度物品,不可用于其他用途。为确保安全生产,请仔细阅读一下注意事项;
1、使用符合本机规定的电源和气源(详见本书中机器技术参数)。
2、在拆洗本机前,请一定要关闭气源和电源。
3、本机后半部分(靠近控制按钮),内部装有电气控制元件,无论在什么情况下都不要用水直接冲洗机身,否则会有触电的危险,损坏电气控制元件。
4、为防止触电,本机要有良好的接地,请为本机配一个由地线的电源插座。
5、关闭电源开关后,本机电气控制中部分电路还有电压存在,故检修控制线路时务必将电源线拔掉。

日常保养:
1、为保持机身不锈钢光洁,请勿用尖。硬的利器刮起表面,如有污渍,请用酒精擦拭。
2、气缸在出厂时已加好润滑油,请勿拆开气缸或添加任何润滑油。
3、本机的单向阀,不锈钢三通、料缸豆能方便的拆洗。

设备平面解析图:

液体灌装头设计图 面板说明图 线路图

机器补充说明:本机主要适用于食品、日化、农药及特殊行业的理想填充设备。本设备在工作过程中将受以下因素的影响;

A、DLY半自动活塞式单头液体灌装机的灌装精度受以下因素影响:压缩空气的稳定性、物料的均匀性、灌装速度等。
B、DLY半自动活塞式单头液体灌装机的灌装速度受以下因素影响:物料的粘度、气缸的行程、料缸的尺寸、灌装嘴大小、操作者的熟练程度等。
C、本机有两种灌装方式,脚踏灌装和连续灌装,两种灌装方式可以任意切换。根据工人的熟练程度,为保持车间的整洁和避免物料的浪费,刚开始建议你选择脚踏灌装。

备灌装效果展示:

 

  糖浆灌装洗面奶灌装效果  饮料灌装

相关产品:1.手动膏液灌装机

2.食用油灌装机

3.收缩机

工厂优势
无任何记录

提交咨询

标题 *
姓名 *
电话
咨询内容 *
验证码
主站蜘蛛池模板: 武邑县| 镇康县| 新巴尔虎右旗| 邵阳市| 都昌县| 绍兴县| 太康县| 社会| 安陆市| 古蔺县| 上蔡县| 行唐县| 凤庆县| 南乐县| 格尔木市| 玉山县| 屯门区| 泰宁县| 望江县| 云安县| 历史| 金平| 临夏县| 韩城市| 通渭县| 迭部县| 祁东县| 庄河市| 汕尾市| 永德县| 柏乡县| 公主岭市| 商城县| 盐边县| 乐都县| 永吉县| 高雄市| 当阳市| 阿拉善右旗| 麟游县| 寿光市|